|
|
 |
|
Канальные вентиляторы серии CK
Канальные вентиляторы CK имеют типоразмеры от 100 до 315 мм и предназначены для установки в круглых каналах. Все вентиляторы оборудованы асинхронными двигателями с внешним ротором и уплотненными подшипниками, что увеличивает срок их службы. Корпус изготавливается из гальванизированной стали. Для снижения распространения шума в окружающее пространство крышка вентилятора LPKI снабжена слоем изоляции толщиной 30 мм.
Установка
Вентиляторы могут быть установлены в любом положении.
Регулирование скорости
Регулирование скорости всех вентиляторов осуществляется в диапазоне от 0 до 100% изменением подаваемого напряжения. Это достигается с помощью использования бесшагового тиристора или пятиступенчатого трансформатора, поставляемых по отдельному заказу.
Защита двигателя
Все двигатели имеют встроенный термоконтакт с автоматическим перезапуском.
Аксессуары
Кронштейн, быстросъемные муфты, регуляторы скорости, обратный клапан, воздушный фильтр, глушитель, канальный нагреватель, воздухораспределительные и защитные решетки и т.д. (поставляются по отдельному заказу).
Технические характеристики
|
Тип вентилятора
|
Производит. по воздуху, м³/ч
|
Напряже- ние, Гц
|
Номин. мощность, Вт
|
Ток, А
|
Частота вращения, об/мин
|
Макс. t, °С
|
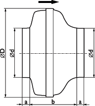
Размеры, мм
|
Вес, кг
|
Схема эл. подкл.
|
|
a
|
b
|
Ød
|
ØD
|
|
СK 100 А
|
205
|
230/50
|
41
|
0,18
|
1900
|
85
|
20
|
146
|
100
|
242
|
2,9
|
2
|
|
СК 100 С
|
340
|
230/50
|
70
|
0,32
|
2460
|
70
|
20
|
146
|
100
|
242
|
2,9
|
1
|
|
СК 125 А
|
280
|
230/50
|
42
|
0,19
|
1700
|
85
|
20
|
150
|
125
|
242
|
2,9
|
2
|
|
СК 125 С
|
425
|
230/50
|
72
|
0,33
|
2360
|
70
|
20
|
150
|
125
|
242
|
2,9
|
1
|
|
СК 160 В
|
465
|
230/50
|
71
|
0,31
|
2410
|
70
|
26
|
145
|
160
|
272
|
3,2
|
1
|
|
СК 160 С
|
860
|
400/50
|
100
|
0,44
|
2480
|
65
|
28
|
177
|
160
|
344
|
4,3
|
1
|
|
СK 200 А
|
970
|
230/50
|
115
|
0,50
|
2580
|
60
|
28
|
172
|
200
|
344
|
4,6
|
1
|
|
СК 200 В
|
1080
|
230/50
|
158
|
0,69
|
2500
|
60
|
28
|
172
|
200
|
344
|
5,1
|
1
|
|
СK 250 А
|
935
|
230/50
|
115
|
0,50
|
2580
|
60
|
28
|
172
|
250
|
344
|
4,6
|
1
|
|
СK 250 С
|
1260
|
400/50
|
185
|
0,81
|
2420
|
55
|
28
|
172
|
250
|
344
|
5,3
|
1
|
|
СК 315 В
|
1400
|
230/50
|
190
|
0,84
|
2465
|
50
|
28
|
199
|
315
|
402
|
6,1
|
1
|
|
СК 315 С
|
1750
|
230/50
|
284
|
1,24
|
2370
|
50
|
28
|
199
|
315
|
402
|
6,5
|
1
|
Монтаж
- Все вентиляторы поставляются полностью в собранном виде, готовые к подключению.
- Электрическое подключение и монтаж должны выполняться только квалифицированным персоналом
в соответствии с инструкцией по монтажу.
- Электрические параметры должны соответствовать спецификации на табличке вентилятора.
- Вся электропроводка и соединения должны быть выполнены в соответствии с правилами технической
безопасности.
- Электрическое подключение должно выполняться в соответствии со схемой подключения, приведенной
в клеммной коробке, согласно маркировке клемм.
- Вентиляторы должны быть заземлены.
- Вентилятор должен быть установлен в соответствии с направлением потока воздуха (см. стрелку на
вентиляторе).
- Вентиляторы должны быть смонтированы таким образом, чтобы имелся доступ для безопасного обслуживания.
Условия работы
- Вентиляторы не должны эксплуатироваться во взрывоопасных помещениях, недопустимо
соединение с дымоходами.
- Вентиляторы не допускается использовать для перемещения взрывчатых газов, пыли, сажи, муки и т.п.
- Вентиляторы предназначены для непрерывной работы. Не рекомендуется производить частое
включение и выключение вентиляторов.
Обслуживание
Единственное требуемое обслуживание – очистка. Рекомендуется производить осмотр и очистку вентилятора каждые шесть месяцев непрерывной эксплуатации для предотвращения дисбаланса или преждевременного выхода из строя.
Перед обслуживанием убедитесь, что:
- Прекращена подача напряжения.
- Рабочее колесо вентилятора полностью остановилось.
- Двигатель и рабочее колесо полностью остыли.
При очистке вентилятора:
- Не используйте агрессивные моющие средства, острые предметы и устройства, работающие под
высоким давлением.
- Следите, чтобы не нарушалась балансировка рабочего колеса вентилятора и отсутствовали его перекосы.
- В случае ненормально высокого шума работы вентилятора проверьте рабочее колесо на перекос.
- Подшипники, в случае повреждения, подлежат замене.
Назад в раздел
|
|
|